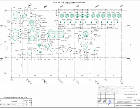
Комплексное проектирование технологических цехов и производств в BIM
Превращаем вашу технологическую схему в готовый к монтажу проект. Гарантируем отсутствие коллизий и экономию до 15% бюджета за счёт BIM-координации
Превращаем вашу технологическую схему в готовый к монтажу проект. Гарантируем отсутствие коллизий и экономию до 15% бюджета за счёт BIM-координации




Мы проектируем не набор чертежей, а целостную технологическую систему.
Наша задача — бесшовная интеграция основного оборудования с обеспечивающими трубопроводными коммуникациями.





BIM-координация: строим без ошибок, потому что спроектировали без коллизий
Мы работаем в цифровом пространстве, чтобы исключить столкновения инженерных систем до выхода на стройплощадку
